Das Lebensqualitäts-Verbesserungsgerät
Eine Diplomarbeit von Narziss Studer
Wie die Magie der Elektrotechnik zur Behebung von lange bekannten, aber nie gelösten Problemen eingesetzt werden kann.
Guten Tag!Es freut mich, dass Sie den Weg auf die Micro-Website meiner Diplomarbeit gefunden haben.Mithilfe dieser Plattform möchte ich Ihnen zeigen, was ich im Rahmen meiner Diplomarbeit geplant, entwickelt, gezeichnet, konstruiert und programmiert habe.Diese Arbeit bildet den Abschluss meines Studiums zum dipl. Techniker HF Elektrotechnik an der TEKO in Bern.Ich wünsche Ihnen viel Vergnügen beim Lesen!Die Arbeit in KürzeAn dieser Stelle möchte ich Ihnen einen Überblick zu Ausgangslange, Inhalt und Umfang meiner Arbeit verschaffen.In der Galerie nach diesem Text, finden Sie zu jeder Etappe einige Bilder und Impressionen, welche den Entstehungs- und Erarbeitungsprozess aufzeigen.Am Ende dieser Seite finden Sie die vollständige Dokumentation als PDF-Download.Rechts neben diesem Text habe ich als ergänzende, technische Unterlagen das Elektroschema sowie eine anschauliche PDF-Version der Software hochgeladen.AusgangslageAller Anfang ist schwer – so (gerade) auch bei einer Arbeit, die einen Umfang von 150-250 Arbeitsstunden haben soll.Wo fängt man bei so etwas Grossem an?Tief durchatmen, Kaffee trinken, ins Grüne schauen, und dann: Das Fundament auslegen. Worum geht's? Wo komme ich her, wo bin ich und wo will ich hin?Ich komme von einer Lehre als Automatiker, beschäftige mich beruflich vor Allem mit Umbau und Anpassung von elektrischen Schaltanlagen. Wenn unter den Zuschauertribünen des Wankdorfstadions ein Fitnesscenter aus- und eine Hirslanden-Klinik einzieht, dabei aber irgendwie möglichst viel bestehende Infrastruktur übernommen werden soll – dann bin ich in meinem Element.Mithilfe meines beruflichen Fachwissens, den (Er-)Kenntnissen aus meinem Studium an der TEKO und ein Bisschen Flair für Elektrotechnik, wollte ich eine Anlage erstellen, welche meinen Eltern etwas Abhilfe schafft, bei einigen lange bekannten, aber nie gelösten Problem.Besagte Eltern bestellen gerne den Garten, gehen oft in die Ferien und verbringen (un-)freiwillig viel Zeit rauchend unter dem Pavillon ihres Hauses.Diesen drei Problematiken wollte ich in Form einer elektrischen Anlage Abhilfe schaffen, um ihnen ein wenig mehr Lebensqualität zu ermöglichen. So entstand das Lebensqualitäts-Verbesserungsgerät.Daraus entstand ein Projekt in 7 Akten:1. Initialisierung2. Planung3. Engineering4. Elektroschema5. Konstruktion6. Programmierung7. Nachbearbeitung und AuswertungDie Szenen jedes Aktes finden sie in der nachfolgenden Galerie. Vorhang auf!
/ Der Vorhang schliesst sich... /

Narziss Studer
Sport-Freak, Science-Nerd, Ziesel-Inkarnation; in seiner natürlichen Umgebung: auf Achse in den Bergen oder am Meer
narziss_studer@hotmail.com
Interessantes Beigemüse zur Arbeit
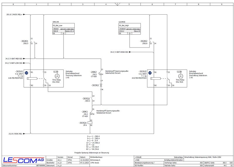
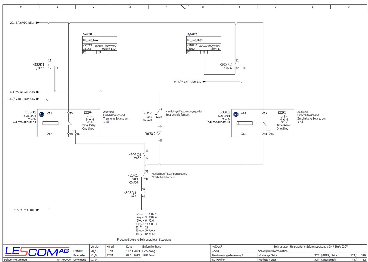
Falls Sie sich für die technischen Details meiner Arbeit interessieren, finden Sie in dieser Ecke das Elektroschema und die Software zu meiner Arbeit.






































