Optimierung eines Zerkleinerungsrotors
Vom Scher- zum Schlagprinzip
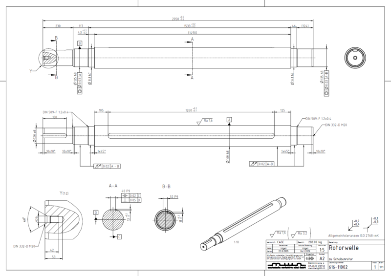
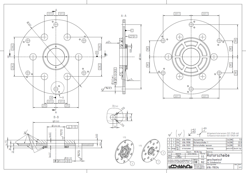
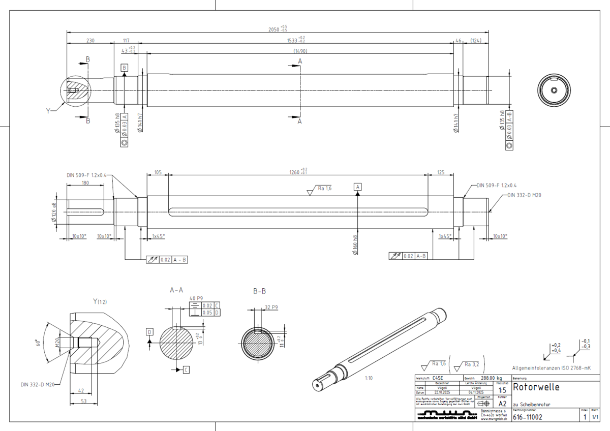
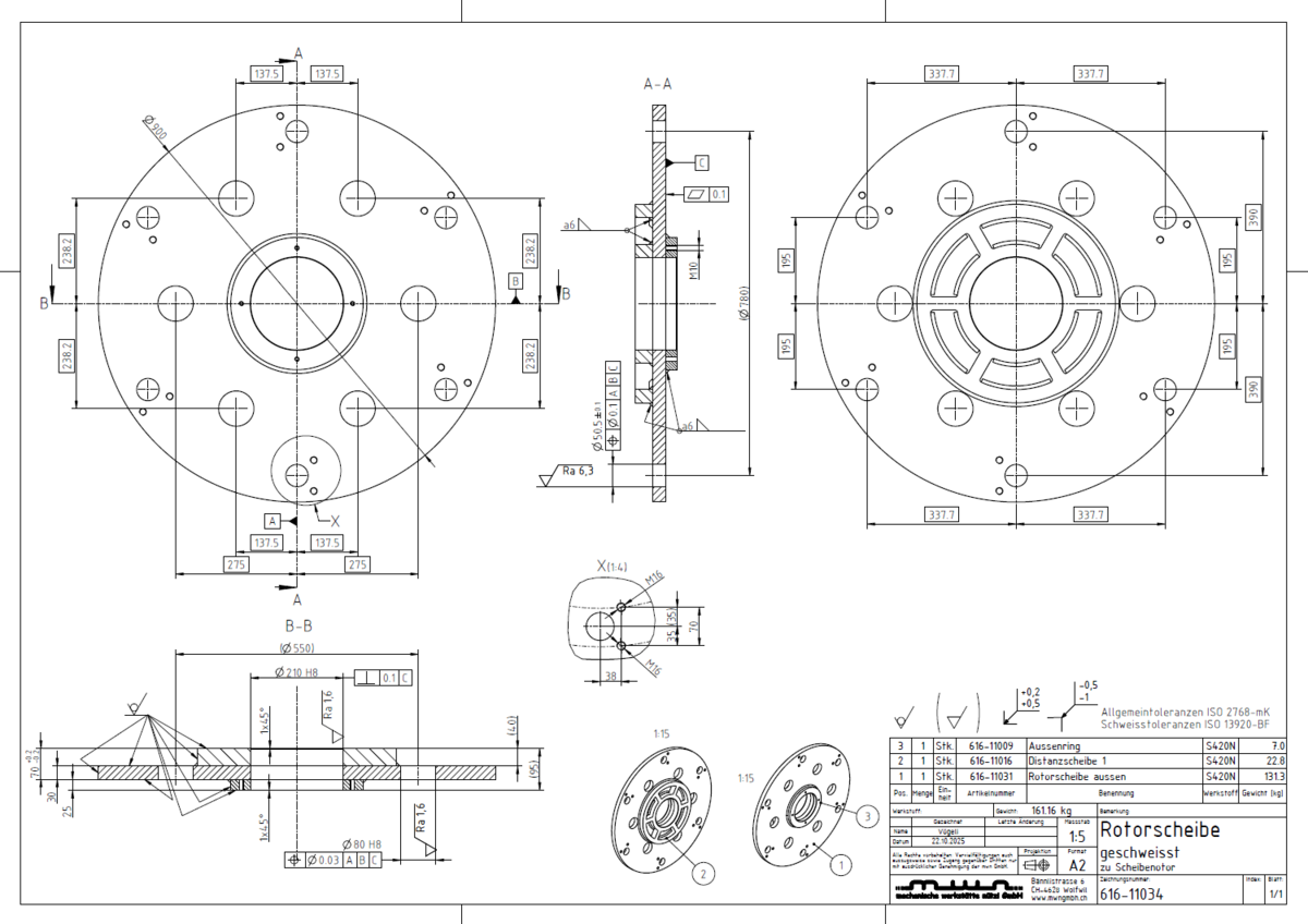
Diese Arbeit befasst sich mit dem Umbau des Rotors einer Nachzerkleinerungsmaschine. Im Mittelpunkt steht die konstruktive Optimierung des Zerkleinerungsrotors, bei der das bisherige System mit feststehenden Wendeplatten zu einer beweglichen Hammerlösung weiterentwickelt wurde. Der Rotor wurde dabei vollständig neu konzipiert und die Werkzeuge gezielt ausgelegt, um ein effizientes Schlagprinzip zu realisieren.
Ausgangslage
Im Bereich der Holzaufbereitung zeigte sich, dass bestehende Zerkleinerungssysteme häufig an ihre Grenzen stossen.
Besonders problematisch sind Störungen im Betrieb und der damit verbundene hohe Wartungsaufwand, der immer wieder zu längeren Stillstandszeiten führt. Ein wiederkehrendes Thema sind Beschädigungen am Rotor, die durch nicht aussortierte Fremdstoffe entstehen und teure Reparaturen nach sich ziehen.
Um die Zuverlässigkeit und Wirtschaftlichkeit zu verbessern, wurde beschlossen, den Zerkleinerungsrotor grundlegend zu überarbeiten und seine Konstruktion anzupassen.
Ziel
Die Aufgabe bestand darin, eine Lösung zu entwickeln, die robuster gegenüber Störstoffen ist, die Wartung vereinfacht und mit den bestehenden Antriebskomponenten kompatibel bleibt. Ebenfalls sollen Service- und Wartungsarbeiten einfacher durchzuführen sein.
Zusätzlich sollte auch die Halterung und der Siebkorb überprüft und verbessert werden sofern es der zeitliche Rahmen erlaubt.
Die Optimierung wird nach folgenden Kriterien bewertet:
- Der überarbeitete Rotor kann weiterhin mit den bestehenden Lagern und dem bisherigen Antriebssystem betrieben werden.
- Die Zugänglichkeit für Wartungsarbeiten wurde deutlich verbessert.
- Im Rahmen der Entwicklung wurden alle relevanten Kräfte berechnet und dokumentiert.
- Der theoretische Wartungsfaktor (Kosten pro Tonne) wurde verbessert.
- Der theoretische Materialdurchsatz bleibt auf dem bisherigen Niveau erhalten.
Umsetzung
Zu Beginn wurden verschiedene Rotorprinzipien untersucht und bestehende Lösungen aus der Industrie analysiert.
Anhand dieser Recherche erfolgte eine Variantenbildung mit unterschiedlichen Ansätzen zu den Werkzeugen und der Verbindung von Welle, Nabe und Werkzeugen. Jede Variante wurde hinsichtlich Belastbarkeit, Herstellbarkeit und Wartungsfreundlichkeit bewertet.
Im nächsten Schritt wurden die relevanten Kräfte, Momente und Lagerbelastungen mit verschiedenen Methoden berechnet.
Die konstruktive Umsetzung erfolgte im CAD, wobei der Fokus auf Modularität, Wartungszugänglichkeit und Stabilität lag. Die finale Variante wurde mit Detailzeichnungen und Angeboten abgeschlossen und mit dem Auftraggeber abgestimmt.
Die Lösung entstand aus einer Kombination von methodischer Variantenentwicklung, präzisen Berechnungen und gezielten konstruktiven Anpassungen. So konnte ein modularer Rotor entwickelt werden, der die Wartungsanforderungen erfüllt und gleichzeitig die Belastungsgrenzen deutlich erhöht.
Herausforderung
Die grösste Herausforderung bestand darin, eine robuste Konstruktion zu realisieren, die trotz höherer Belastungen vollständig mit den bestehenden Lagern, Antrieben und Bauraumvorgaben kompatibel bleibt.
Zusätzlich mussten hohe Stosskräfte, Materialeinträge und unterschiedliche Betriebsbedingungen berücksichtigt werden, ohne den Durchsatz oder die Balance des Systems zu beeinträchtigen.
Ein weiterer anspruchsvoller Punkt war, theoretische Berechnungen mit praktischen Überlegungen zu vereinen. Also eine Lösung zu finden, die nicht nur technisch funktioniert, sondern auch wirtschaftlich und in der Werkstatt umsetzbar bleibt.
Ergebnis
Der neu konstruierte Rotor erfüllt die festgelegten Anforderungen vollständig.
Die Verbindungselemente und Werkzeuge wurden so angepasst, dass sie höhere Störstoffbelastungen aufnehmen können, ohne Schaden zu nehmen. Gleichzeitig konnte die Zugänglichkeit für Wartungsarbeiten deutlich verbessert werden. Durch eine modular aufgebaute Konstruktion ist der Austausch einzelner Komponenten schneller möglich.
Die berechneten Lebensdauern der Lager liegen im Bereich der Industriestandards, und der Materialdurchsatz bleibt unverändert hoch.
Damit wurde das Ziel, einen robusteren und servicefreundlicheren Rotor zu entwickeln, vollständig erreicht. Die Lösung vereinfacht Wartungsarbeiten und reduziert Stillstandszeiten. Die Kosten pro Tonne werden nachhaltig um mindestens 50% reduziert.
Reflektion
Im Verlauf der Arbeit konnte ich wertvolle Erfahrungen im Bereich der methodischen Konstruktion und technischen Analyse sammeln. Ich habe gelernt, wie wichtig eine strukturierte Vorgehensweise ist, um komplexe Systeme wie einen Zerkleinerungsrotor sicher auszulegen.
Besonders wichtig war die Erkenntnis, dass theoretische Ergebnisse stets mit Praxiswissen abgeglichen werden müssen, um eine umsetzbare und nachhaltige Lösung zu schaffen.
Das Besondere an meiner Arbeit liegt in der Kombination aus analytischem Denken, praxisorientierter Umsetzung und methodischem Vorgehen. Die Anwendung von Werkzeugen aus der 'Methodischen Konstruktionslehre' (von der Variantenbildung über die Nutzwertanalyse bis hin zu detaillierten Berechnungen) hat mir gezeigt, wie strukturierte Prozesse zu nachvollziehbaren Entscheidungen führen können.
Abschluss
Mit dem erfolgreichen Abschluss dieses Projekts konnte ein wesentlicher Beitrag zur Verbesserung der Zuverlässigkeit und Wartungsfreundlichkeit in der Holz-Nachzerkleinerung des Auftraggebers geleistet werden.
Die gewonnenen Erkenntnisse bilden eine solide Grundlage für zukünftige Entwicklungen und können als Basis für weitere Optimierungen des Gesamtsystems dienen.
Die Diplomarbeit hat mir gezeigt, wie sich technisches Wissen, Praxiserfahrung und methodisches Vorgehen vereinen lassen, um praxisgerechte Lösungen zu erarbeiten, die im industriellen Umfeld echten Mehrwert schaffen.

Fabio Vögeli
Lösungsorientiert - Zuverlässig - Praxisnah - Strukturiert
fabio_voe@yahoo.de
+41 79 595 82 68
Zerkleinerungsrotor
Die Diplomarbeit ist auf Anfrage erhältlich. Bitte nehmen Sie bei Interesse Kontakt mit mir auf.








