Prüfstand zu Rotationsmodul
Diplomarbeit 2020
Im Jahr 2017 begann für mich die berufliche Weiterbildung zum Dipl. Maschinentechniker HF. Ich konnte in dem Studium unzählige Erkenntnisse gewinnen und mein bestehendes Wissen vertiefen. Nun befinde ich mich im Jahre 2020 kurz vor dem Abschluss des Studiums. Um das Studium erfolgreich abschliessen zu können, wird der Student der Teko damit betraut, diese Diplomarbeit zu schreiben. Diese Diplomarbeit zeigt die wesentlichen Arbeitsschritte und die zugrunde liegenden Lösungs- und Entscheidungsfindungen, zur Entwicklung einer Prüfstation für Rotationsmodule für die Reiden Technik AG.
Ausgangslage
Diese Arbeit befasst sich mit der Entwicklung und Konzeptausarbeitung eines Prüfstandes für Rotationsmodule. In jeder Maschine der Reiden Technik AG ist ein solches Modul verbaut. Leider neigen diese Rotationsmodule dazu, vor Ablauf der Garantiezeit Leckage zu bilden. Mit Hilfe dieses Prüfstandes sollen die Rotationsmodule, bevor diese in der Maschine montiert werden, einer Dauerbelastungsprüfung unterzogen werden. Somit sollen mangelhafte Rotationsmodule frühzeitig aussortiert und wiederaufbereitet werden können.
Aufgabenstellung
Es war ein CAD Datensatz zum Konzept einer Vorrichtung zu erstellen. Für diese Vorrichtung ist der Einsatz als Prüfstation, für die Rotationsmodule A / B, vorgesehen. Diese Prüfstation soll Realbedingungen für die Rotationsmodule in sinnvoller Genauigkeit simulieren. Mittels eines Dauerbelastungstests von ca. 30min soll dies Umgesetzt werden.
Die Rotationsmodule A / B müssen auf folgende Punkte geprüft werden können:
1. Undichtheit des hydraulischen Antriebes. (Optische Prüfung durch Bediener)
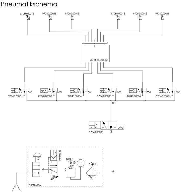
2. Undichtheit der Pneumatischen Drehdurchführung. (Staudruck).
3. Präzision des Schwenkwinkels vor, bzw. nach der automatischen Prüfung.
Prüfverfahren
Die Prüfung eines Rotationsmoduls bedarf einer geschulten Fachkraft.
Ablauf:
1. Die Fachkraft stellt sicher, dass die Prüfstation ausgeschaltet ist.
2. Das zu prüfende Modul wird von der Fachkraft manuell an der Prüfstation montiert.
3. Die Energiezufuhr von der Prüfstation zum Rotationsmodul wird von der Fachkraft sicher-gestellt. (Anschliessen der PN-/ Hyd. Schläuche am Rotationsmodul)
4. Der Prüfaufbau wird auf dem Rotationsmodul Montiert.
5. Die externe Prüflast wird auf den Prüfaufbau angelegt.
6. Die Schutzabdeckung der Prüfstation wird durch die Fachkraft geschlossen.
7. Der Prüfstand wird eingeschalten, die Prüfung wird gestartet. Das Rotationsmodul wird so angesteuert, dass dieses während 30 Min. ununterbrochen zwischen den Endlagen rotiert. Währenddessen werden die pneumatischen Kanäle der Drehdurchführung im System (seriell) mit Druckluft (6Bar) belastet, dann verschlossen (Zugang sowie Entlüftung gesperrt). Dieser Zustand wird für 5 Min. aufrechterhalten. Dabei wird gemessen wie hoch der Druckverlust, resp. die Leckage ist. Zusätzlich wird gemessen ob sich der Druck in benachbarten Kanälen der Drehdurchführung erhöht resp. ob ein Übertreten der Druckluft zu benachbarte Kanäle stattgefunden hat. So wird zyklisch ein Kanal nach dem anderen geprüft. Diese Daten werden aufgezeichnet, damit am Ende der Prüfung ersichtlich wird, ob sich das Leckagevolumen während der Prüfung vergrössert hat.
8. Die Automatische Prüfung ist abgeschlossen. Das Rotationsmodul wird nicht mehr angesteuert. Die Schutzabdeckung wird geöffnet. Nun wird optisch kontrolliert, ob Öl von der Hydraulik ausgetreten ist.

Lukas Henseler
Diplomarbeit 2020
PDF zur Einsicht
Ich stelle meine Diplomarbeit zur Einsicht für alle diejenigen, welche die Diplomarbeit noch vor sich haben, zur Ideenfindung und Inspirierung zur Verfügung. Es ist jedoch zu beachten, dass der Aufbau der Dokumentation individuell und für das eigene Projekt zu optimieren ist.
Download Diplomarbeit













