Drahtbruchüberwachung
Modernisierung einer Drahtverseilanlage „MALI“
Für die Drahtverseilanlage „MALI“ wurde eine moderne, SPS-basierte Drahtbruchüberwachung entwickelt. Das System erkennt Drahtbrüche in Echtzeit, verbessert die Fehlerdiagnose und erhöht die Anlagenverfügbarkeit. Eine übersichtliche HMI-Visualisierung und eine stabile Bus-Kommunikation erhöhen die Bedienerfreundlichkeit der Anlage und runden das Gesamtkonzept ab.
Managenent Summery
Die Diplomarbeit „Drahtbruchüberwachung – Drahtverseilanlage MALI“ behandelt die Entwicklung einer modernen, SPS-basierten Überwachungslösung zur Erkennung von Drahtbrüchen an einer Kabelverseilmaschine der Studer Cables AG. Ziel war ein zuverlässiges, wartungsfreundliches System mit integrierter Fehlerdiagnose und intuitiver HMI-Bedienoberfläche zu entwickeln.
Die bestehende Steuerung war technisch überholt, Ersatzteile nicht mehr verfügbar und eine zeitgemässe Visualisierung fehlte. Die neue Lösung kommuniziert mithilfe einer AS-i-Bus-Architektur mit modularer Erweiterung. Dadurch reduziert sich die Verdrahtung erheblich. Neben der eigentlichen Drahtbruchüberwachung wurden auch Teile der Anlagesteuerung modernisiert.
Das Projekt wurde nach dem 4-Phasen-Modell geplant und theoretisch umgesetzt. Im TIA Portal V20 entstand eine erweiterbare SPS-Softwarestruktur, ergänzt durch eine übersichtliche HMI-Visualisierung. Umfangreiche Simulationen und Tests bestätigten die Funktionalität und Stabilität des Systems.
Die entwickelte Lösung überzeugt vor allem durch erhöhte Anlagenverfügbarkeit und vereinfachte Fehlerdiagnose. In einer Kosten-Nutzen-Analyse wurde ein hoher Mehrwert, insbesondere bei Bedienbarkeit und Wartungsfreundlichkeit, festgestellt.
Im nächsten Schritt wird das entwickelte Konzept in der Maschine verbaut. Langfristig sind Erweiterungen vorgesehen, darunter die Integration eines frequenzgeregelten Antriebs sowie die Anbindung an zentrale ERP- und Produktionssysteme.
Projekt Drahtbruchüberwachung
Anlage MALI erklärt
Die Verseilanlage „MALI“ dient zur Herstellung verseilter Kupferkabel aus mehreren Einzeldrähten. Die Maschine ist in drei sogenannte Körbe unterteilt, die jeweils eine unterschiedliche Anzahl an Spulen aufnehmen können. Jeder Korb rotiert während des Verseilprozesses mit, wodurch eine gleichmässige Verdrillung der Einzeldrähte entsteht. Dabei werden bis zu 38 Drahtspulen kontinuierlich abgewickelt, über Umlenkrollen geführt und in der Verseileinheit miteinander verdrillt. Anschliessend wird das fertige Kabel auf einer Spule aufgewickelt.
Ausganglage
Die bestehende Drahtbruchüberwachung der Verseilanlage „MALI“ war veraltet und entsprach nicht mehr den aktuellen Anforderungen an Wartbarkeit und Zuverlässigkeit. Ersatzteile waren nicht mehr erhältlich und die Störungsdiagnose gestaltete sich entsprechend schwierig. Das System verfügte lediglich über einen Sammelfehlermeldungsausgang für die Motorschutzsicherungen. Trat ein Drahtbruch auf, wurde dieser nur über eine Signallampe pro Korb angezeigt. Bei insgesamt 38 Spulen war eine gezielte Fehlersuche somit kaum möglich und mit erheblichem Aufwand verbunden. Die Drahtbruchüberwachung arbeitet nach einem einfachen Prinzip:
Ist die Maschine im Betrieb und die Überwachung aktiv, wird über eine Lochscheibe an jeder Spule der Takt gemessen. Bleibt dieser Takt aus, wird automatisch ein Drahtbruch erkannt und eine entsprechende Fehlermeldung ausgelöst. Die Kommunikation ist über einen Schleifring mit zwei Kontakten realisiert.
Zudem fehlte eine moderne Visualisierung, wodurch Drahtbrüche und Fehlermeldungen nicht eindeutig nachvollziehbar waren. Dies führte im Produktionsalltag häufig zu langen Störungssuchen und daraus resultierenden Stillstandszeiten. Eine umfassende Modernisierung der Überwachung war daher sinnvoll, um die Anlagenverfügbarkeit nachhaltig sicherzustellen.
Zielsetzung
Ziel des Projekts war also die Entwicklung einer modernen, SPS-basierten Drahtbruchüberwachung für die Verseilanlage „MALI“. Das neue System sollte eine zuverlässige und wartungsfreundliche Lösung bieten, die Drahtbrüche in Echtzeit erkennt und eindeutig anzeigt.
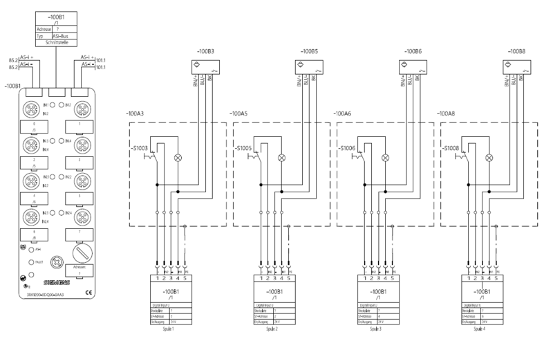
Darüber hinaus war vorgesehen, eine zeitgemässe HMI-Visualisierung zu integrieren, um den Bedienern eine klare Übersicht über den Anlagenstatus und mögliche Fehlerquellen zu bieten. Das neue Konzept sieht eine Kommunikation der Sensoren über ein Bussystem vor, das die Signale über die zwei Schleifringe überträgt. Durch den Einsatz moderner Steuerungs- und Kommunikationstechnik soll die Störungsdiagnose vereinfacht und die Anlagenverfügbarkeit deutlich verbessert werden.
Weg zum Ziel
Projektvorgehen
Das Projekt wurde nach dem 4-Phasen-Modell des Projektmanagements durchgeführt. In der Initialisierungsphase wurden die Projektziele, der Umfang sowie die Rahmenbedingungen definiert. Die Planungsphase umfasste die Erstellung eines Projektstrukturplans, der anschliessend in einen Ablaufplan überführt wurde, um den zeitlichen Verlauf und die Abhängigkeiten der Arbeitspakete zu definieren.
In der Realisierungsphase wurden verschiedene Lösungsansätze hinsichtlich ihrer technischen Machbarkeit bewertet. Darauf folgten die Integration des neuen Systems in das Elektroschema mithilfe von Elektro-CAD, die Programmierung im TIA-Portal sowie der Aufbau einer Testumgebung. Das System wurde während der Entwicklungsphase kontinuierlich geprüft und optimiert.
Den Abschluss bildete die Abschlussphase, in der die Resultate dokumentiert, reflektiert und mögliche Verbesserungspotenziale festgehalten wurden.
Auswahl des Bussystems
In der Konzeptionsphase wurden verschiedene Bussysteme bezüglich Kosten, Flexibilität, Diagnosefähigkeit und Verdrahtungsaufwand verglichen. Dabei standen eine Funkkommunikation, AS-i-Bus und Profinet zur Auswahl. Die Wahl fiel auf den AS-i-Bus, da seine Zweidrahttechnik mit integrierter Energieversorgung, einfacher Erweiterbarkeit und reduziertem Verdrahtungsaufwand überzeugte. Zusätzlich ist sie die konstengünstigste Variante, vorallem im Vergleich mit der Funklösung. Der AS-i-Bus (Actuator-Sensor-Interface) ist ein industrielles Feldbussystem, das zur dezentralen Anbindung von Sensoren und Aktoren dient. Über eine zweipolige Leitung werden sowohl die Versorgungsspannung, als auch die Datenkommunikation übertragen. Jeder Teilnehmer erhält eine eindeutige Adresse, die eine zyklische Datenübertragung und eine zuverlässige Kommunikation in Echtzeit ermöglicht.
Projektierung im Siemens TIA-Portal
Die Software wurde im TIA-Portal V20 projektiert. Die Struktur der SPS-Programme wurde modular aufgebaut, um spätere Erweiterungen zu erleichtern. Zunächst wurden die Kommunikationsschnittstellen zum AS-i-Bus konfiguriert und sämtliche Ein- und Ausgangssignale eindeutig adressiert, getestet und dokumentiert.
Ergänzend entstand eine HMI-Visualisierung, welche die Zustände der einzelnen Körbe, Spulen, Drahtbruchmeldungen sowie den Anlagenstatus übersichtlich darstellt.
Das Programm umfasst insgesamt sieben Programmteile, darunter Funktionen für die Kommunikation mit dem HMI, die Motorüberwachung, die Taktmessung jeder Spule sowie eine Sammelfunktion, die alle 38 Taktmessungen auswertet. Weitere Bausteine übernehmen die Längenmessung und -steuerung, die Drehzahlanzeige sowie die Alarm- und Auslöselogik.
Vor der Inbetriebnahme wurden sämtliche Funktionen in einer Simulation getestet, um Fehler frühzeitig zu erkennen und die Parametrierung zu optimieren.
Endergebnisse
Alle definierten Projektziele konnten erfolgreich erreicht werden. Die neue, SPS und die Drahtbruchüberwachung arbeiten zuverlässig und erkennen Drahtbrüche in Echtzeit. Über das HMI werden sämtliche Körbe, Spulen und Betriebszustände übersichtlich dargestellt, wodurch Störungen sofort lokalisiert werden können. Die Kommunikation über den AS-i-Bus funktioniert im Testaufbau stabil. In umfangreichen Simulationen und Testläufen bestätigte sich die Funktionalität der Überwachung sowie die gesamte Anlagenlogik. Die Alarm- und Auslöselogik reagiert zuverlässig und alle Diagnosemeldungen wurden korrekt auf dem HMI angezeigt.
Insgesamt zeigt das Projekt, dass durch den gezielten Einsatz moderner Steuerungs- und Kommunikationstechnik ein nachhaltiger Mehrwert für den Anlagenbetrieb geschaffen wurde.
Ausblick
Nach dem Projektabschluss wird die neue Drahtbruchüberwachung in die reale MALI-Anlage integriert. Im Zuge des Anlagenumbaus erfolgt zusätzlich der Einsatz eines neuen AC-Motors mit Frequenzumrichter.
Für spätere Versionen sind funktionale Erweiterungen geplant, darunter eine zusätzliche Sicherheitsebene im HMI (zum Schutz wichtiger Parameter) sowie eine erweiterte Setup-Seite für weitere Einstellungen wie Betriebsstunden oder Zeitparameter. Die Taktmessung soll künftig geschwindigkeitsabhängig erfolgen, um feste Konstanten zu vermeiden und den Anlauf zu verbessern.
Auf Softwareebene ist eine Optimierung vorgesehen, bei der nur aktive Spulen überwacht werden, um den SPS-Zyklus zu entlasten. Zudem ist langfristig eine Anbindung an das interne Leitsystem vorgesehen, um Betriebsdaten zentral auszuwerten.

Yves Kaufmann
Technikbegeisterter Entwickler und Programmierer mit Freude am Tüfteln, optimieren und automatisieren technischer Systeme
yves.kaufmann@edu.teko.ch
+41 79 912 67 73















