Wohnungsautomation
In dieser Arbeit soll eine Wohnungsautomation, mit den im Studium erlangten Kenntnissen und kennengelernten Geräten, Realisiert werden. So können durch die selbsterstellten Aktoren und Sensoren, die Beleuchtung sowie die Storen vereinfacht und automatisch bedient werden. Dies soll mittels einer MQTT (Message Queuing Telemetry Transport) Kommunikation zwischen den Teilsystemen erreicht werden. Das Gesamt System umfasst 2x Esp32 NodeMcu sowie ein Raspberry PI.
- Ausgangslage
Mit den Teilsystemen Esp32 NodeMcu, Raspberry PI und Node-Red soll es ermöglicht werden, die Beleuchtung sowie die Storen per Smartphone zu steuern und eine konventionelle Bedienung durch die Schaltstellen zu gewährleisten. Zudem sollen die Storen einen Motor erhalten, da diese noch per Kurbel bedient werden.
Richtziel
Das Richtziel des Projektes ist eine vereinfachte Bedienung durch die hier genannten Geräte, sowie eine Verselbstständigung der Storen, die noch zu Elektrifizieren sind, zu erreichen.
Ziele
1. Umbau der Mechanischen Storen auf elektrischen Antrieb.
2. Nutzen eines Raspberry PI 4 als CPU für das Node-Red sowie als MQTT Server.
3. Verwendung der alten Bedienstellen für das Licht sowie Erstellung einer Neuen für die Storen.
4. Erstellen eines MQTT Dashboards auf dem Smartphone für die Erleichterte Bedienung.
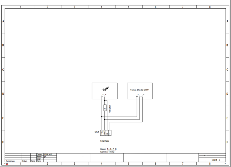
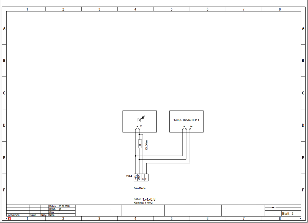
5. Anbindung des Licht- und Temperaturfühlers für eine selbständige Storen Steuerung.
6. Es liegt eine Projektdokumentation gemäss 4 Phasenmodell vor. - Realisierung
Durch das erlangte Grundlagenwissen des Studiums wurden 3 Varianten geschaffen, welche die Anforderung erfüllen und zum Erreichen der Endergebnisse mit den dazugehörigen Erfolgskriterien führen.
Um die optimale Installation zu bestimmen wurden die Varianten mit den nachfolgenden Angaben bewertet.
1. Preis: Der Preis der für die gesamte Installation.
2. Programmieraufwand: Die Voraussichtliche Erschwerung durch grösseren Aufwand oder nicht bekannte und neue Programmiermethoden.
3. Schönheit: Die Ästhetik der Installation.
4. Installationsaufwand: Die Anpassung der alten Installation.
5. Funktionen und Erweiterungen: Wie viele Funktionen können zusätzlich und mit welchem Aufwand erstellt werden.
6. Rückbaumöglichkeiten: Da Mietwohnung, wie schwer ist ein Wiederherstellen des alten Zustands der Wohnung.
Die Kriterien wurden gewichtet und in einer Nutzwertanalyse sowie Sensitivitätsanalyse konnte, die für die Realisierung geeignetste Variante, gewählt und ausgeführt werden. Unsere Analyse empfiehlt: die Variante 2 «Unterputz Installation» mit zwei Esp32 NodeMcu sowie Erweiterung der Installation durch Kabeleinzug.
- Evaluation der Projektergebnisse
Endergebnis: Umbau der mechanischen Storen auf elektrischen Antrieb.
Ergebnis: Die Storen haben einen Motor erhalten der Elektrisch angesteuert wird.
Endergebnis: Nutzen eines Raspberry PI 4 als CPU für das Node-Red sowie als MQTT Server.
Ergebnis: Der MQTT-Server ermöglicht die Kommunikation zwischen den Verschiedenen Systemen und das NodeRed wurde erfolgreich installiert und ist zur Verwendung bereit.
Endergebnis: Verwendung der alten Bedienstellen für das Licht sowie Erstellung ei-ner Neuen für die Storen.
Ergebnis: Die alten Schaltstellen wurden angepasst und für die Storen Steuerung erweitert sie senden an den MQTT-Server und Steuern so erfolgreich die Installation.
Endergebnis: Erstellen eines MQTT Dashboards auf dem Smartphone für die erleichterte Bedienung.
Ergebnis: Das Dashboard wurde über das NodeRed erstellt und führt alle Funktionen aus sowie zusätzlich einer Temperaturanzeige es kann über den Browser vom Smartphone sowie vom Computer aus erreicht werden.
Endergebnis: Anbindung des Licht- und Temperaturfühlers für eine selbständige Storen Steuerung.
Ergebnis: Die Storen Fahren, wenn die Temperatur über 25 Grad und eine Gewisse Helligkeit wirkt automatisch runter, um dem Überhitzen der Wohnung entgegen zu wirken.
Endergebnis: Es liegt eine Projektdokumentation gemäss 4 Phasenmodell vor.
Ergebnis: Das Projekt wurde nach dem 4 Phasen Modell des Projektmanagements erstellt und enthält Initialisierung, Planung, Realisierung sowie den Projektabschluss. - Mehrwert/Nutzen
Durch diese Installationen wurde eine erhebliche Erleichterung der Bedienung ermöglicht, die es nun gestattet von jedem standort aus mit dem Smartphone die Lichtgruppen und Storen im Haushalt zu Steuern. Durch den Storenmotor und desen automatische Ansteuerung wurde zudem ein Komfort geschaffen der vorher nicht vorhanden war. Sogleich wurden die alten Schaltstellen wieder mit eingebunden um so auf nichts zu verzichten.
















